航通风机:节能 静音 环保 性价比高
大家都在搜:
Aerospace Electrical 产品介绍
――――――――Product introduction――――――――
| 概述: |
使用环境: 常规产品在海拔4000米以下,空气湿度少于90度,环境温度在-25度~+60度,如非常规环境下使用的产品,致电工厂定制。 |
|
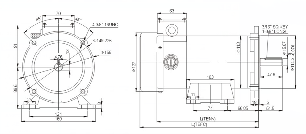
Aerospace Electrical安装尺寸
――――――――Installation dimensions――――――――
因各客户要求和使用环境均不同,公司可在不配减速器的情况下为客户定制:电压12V—240V,转速1000转—5000转的永磁直流电机,如客户在有批量配减速器的要求,本公司可为客户量身定制;有高温等特定环境下使用的要求,也可定制生产。


Aerospace Electrical技术参数
――――――――technical parameter――――――――

上海航洋机电设备有限公司是一家专注于各种外转子风机,环保风机,直流电机,制冷风机,风机批发销售,因地制宜,为您提供高品质电机与风机,控制价格,确保品质,物美价廉360度完整售后服务体系.咨询热线:4000-586-018
咨询:113ZYT系列直流电机 NEMA 56C
* 为必填项